Output Devices
 

Output Devices problem 2


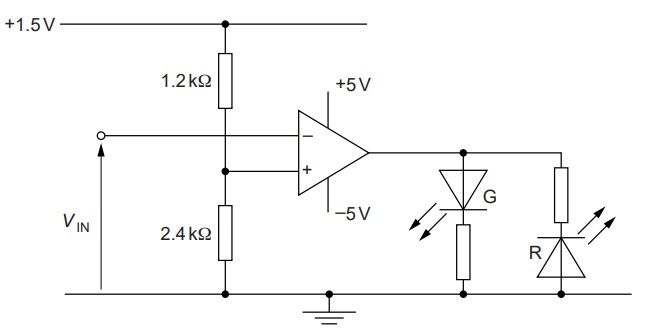
An ideal op-amp is incorporated into the circuit shown in the figure below.




On the figure above, draw a circle around the part of the circuit that is being used as an output device.


 

material editor: OpenProf website