
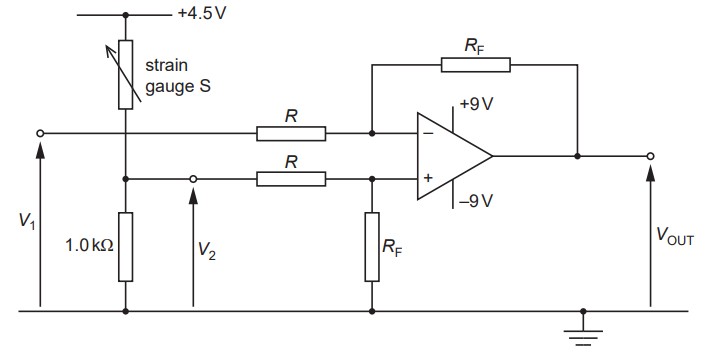
A strain gauge S is connected into the circuit shown in the figure below.
The operational amplifier (op-amp) is ideal. The output potential
of the circuit is given by the expression

State the name given to the ratio
.
The strain gauge S has resistance
when not under strain. Calculate the magnitude of
such that, when the strain gauge S is not strained, the output
is zero.
In a particular test, the resistance of S increases to
.
is unchanged. The ratio
is 12. Calculate the magnitude of
.