
State two effects of negative feedback on the gain of an amplifier incorporating an operational amplifier (op-amp).
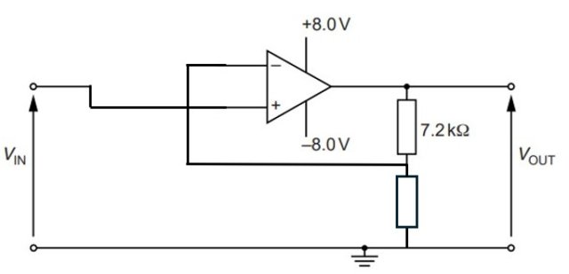
An incomplete diagram of an amplifier circuit incorporating an ideal operational amplifier is shown in the figure below.
The amplifier has a voltage gain of
.
Complete the circuit diagram in the figure above.
Calculate the resistance of any additional resistor you have drawn on the figure above.