
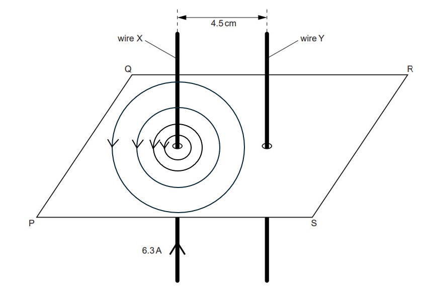
Two long straight vertical wires X and Y are separated by a distance of
, as illustrated in the figure below.
The wires pass through a horizontal card PQRS. The current in wire X is
in the upward direction. Initially, there is no current in wire Y. On the figure above, sketch, in the plane PQRS, the magnetic flux pattern due to the current in wire X. Show at least four flux lines.