
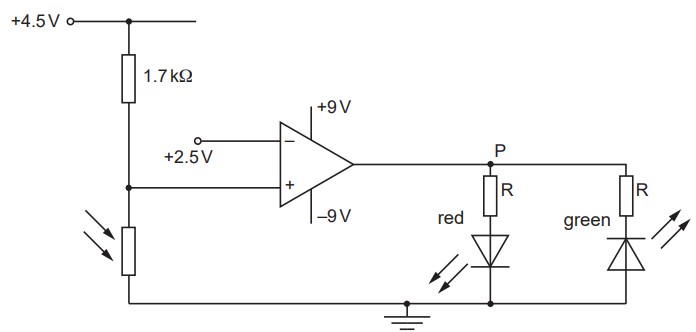
An electronic light-meter is used to warn when light intensity becomes low. A light-dependent resistor is connected into the circuit shown in the figure below.
The operational amplifier (op-amp) is ideal. The resistors R are to ensure that the light-emitting diodes (LEDs) do not over-heat.
The LDR is in daylight and has a resistance of
. State and explain which diode, red or green, will be emitting light.
The intensity of the light decreases and the LDR is in darkness. State and explain the effect on the LEDs of this change in intensity.