
By reference to an amplifier, explain what is meant by negative feedback.
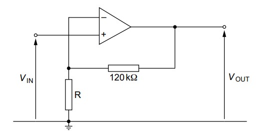
An amplifier circuit incorporating an ideal operational amplifier (op-amp) is shown in the figure below.
The supply for the op-amp is
. The amplifier circuit is to have a gain of 25. Calculate the resistance of resistor R.
State the value of the output voltage
of the amplifier in (b) for input voltages
of

